首页
关于盛素
盛素简介
盛素历史
了解更多
产品中心
高低压成套系列
真空断路器系列
隔离开关系列
了解更多
解决方案
新闻资讯
公司新闻
行业动态
了解更多
人才发展
人才理念
人才招聘
了解更多
联系我们
联系方式
在线留言
了解更多
中文
/
EN
首页
关于盛素
盛素简介
盛素历史
产品中心
高低压成套系列
真空断路器系列
隔离开关系列
解决方案
新能源
电力输配电
工矿领域
公建居配
新闻资讯
公司新闻
行业动态
人才发展
人才理念
人才招聘
联系我们
联系方式
在线留言
中文
|
EN
TXGN-12固体绝缘环网开关设备
XGN66-12(Z)型固定式封闭开关设备
YB30-12预装式变电站
GGD交流低压配电柜
首页
>>
产品中心
>>
真空断路器系列
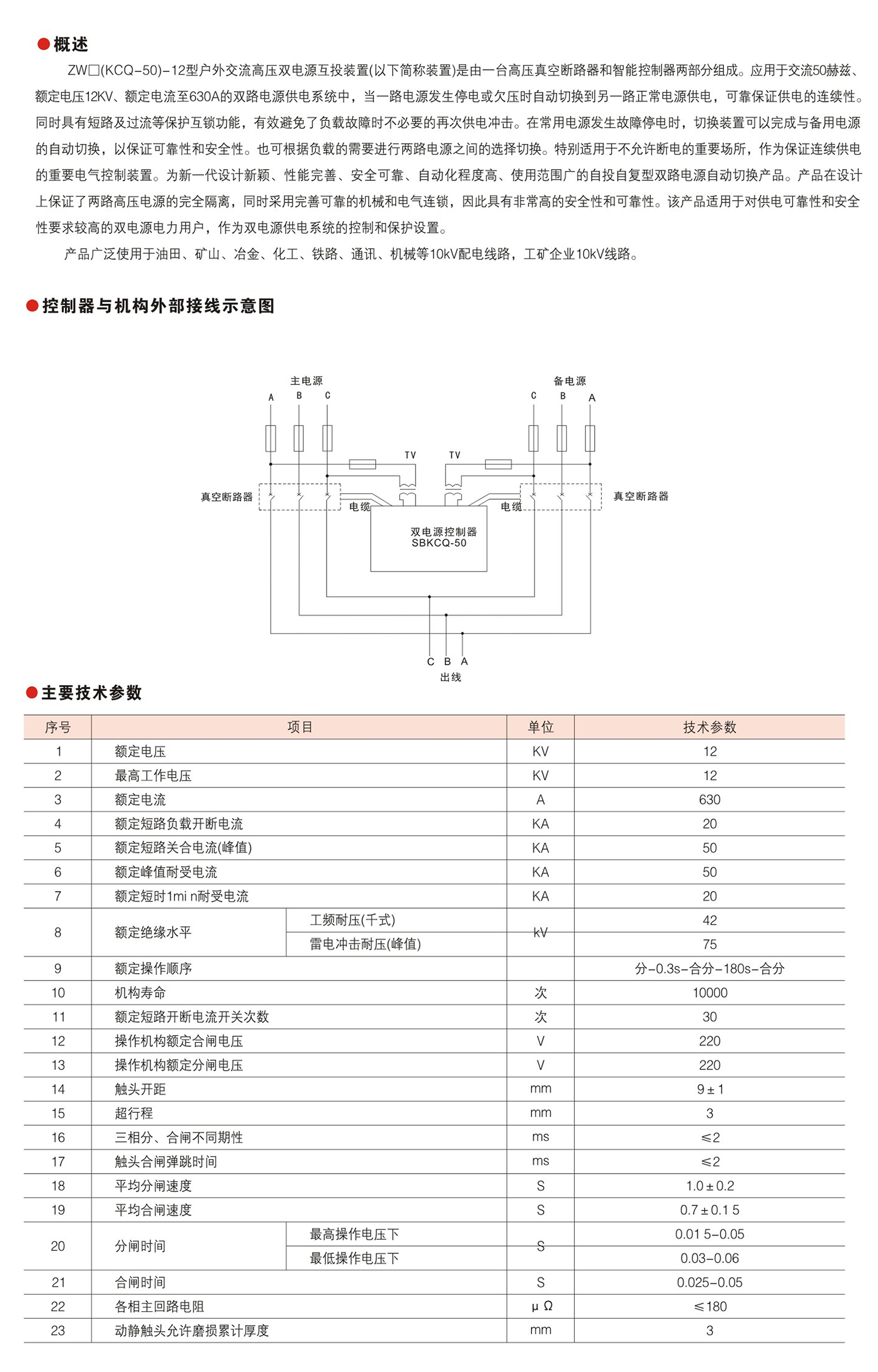
ZW(KCQ-50)-12高压双电源互投装置
信息概述:
ZW口(KCQ-50)-12型户外交流高压双电源互投装置(以下简称装置)是由一台高压真空断路器和智能控制器两部分组成。应用于交流50赫兹,额定电压12KV、额定电流至630A的双路电源供电系统中,当一路电源发生停电或欠压时自动切换到另一路正常电源供电,可靠保证供电的连续性。同时具有短路及过流等保护互锁功能,有效避免了负载故障时不必要的再次供电冲击。在常用电源发生故障停电时,切换装置可以完成与备用电源的自动切换,以保证可靠性和安全性。也可根据负载的需要进行两路电源之间的选择切换。
产品咨询
产品介绍
产品认证
证书
PDF资料1
参数
返回
关于盛素
盛素简介
盛素历史
产品中心
高低压成套系列
真空断路器系列
隔离开关系列
解决方案
新能源
电力输配电
工矿领域
公建居配
新闻资讯
公司新闻
行业动态
联系我们
186-5773-9556
地址:浙江省乐清市柳市镇东岙村
Copyright © 盛素电气有限公司 All Rights Reserved.
浙ICP备16012968号
网站建设:颂诚网络 温州
186-5773-9556
(联系电话 7×24)