首页 >> 产品中心 >> 高低压成套系列

KYN28A-12(GZS1)户内金属铠装中置移开式开关设备
信息概述:
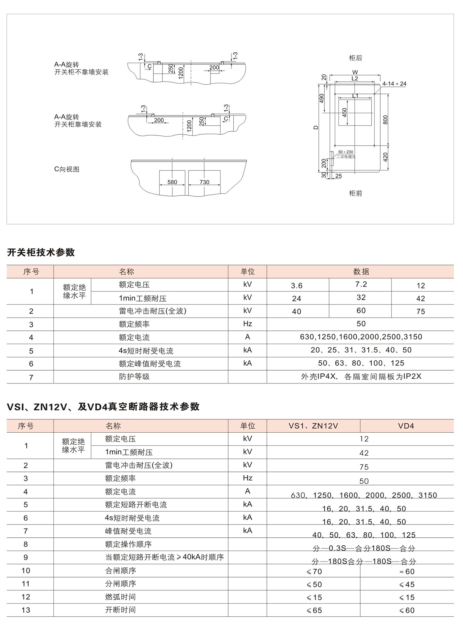
KYN28A-12型(GZS1)户内金属铠装中置移开式开关设备(以下简称开关柜)系三相交流50Hz的户内成套配电装置,用于接受和分配3-12千伏的网络电能并对电路实行控制保护及监测。本产品继电器小室面板上可安装各种类型的微机型综合继电保护装置,并可实现系统的智能化控制,具有遥控、遥测、遥信及遥调功能,通过带有通信接口的CAN总线控制现场网络。并具有防止误操作断路器、防止带负荷推拉手车、防止带电关合接地开关、防止接地开关在接地位置送电和防止误入带电间隔,即简称的“五防”功能。该柜既能配用VS(即Z···
KYN28A-12(GZS1)户内金属铠装中置移开式开关设备
产品介绍

www.cnssu.cc_article_103.html.png

186-5773-9556

(联系电话 7×24)